• accueil
  • présentation
  • compétences
  • contact
Résolution de problèmes sur vos  installations existantes

Résolution de problèmes sur vos installations existantes

Étude et réalisation de poste d’assemblage

Étude et réalisation de poste d’assemblage

Design sous Fusion 360

Étude et réalisation de stations spécifiques  de contrôles et d’essais

Étude et réalisation de stations spécifiques de contrôles et d’essais

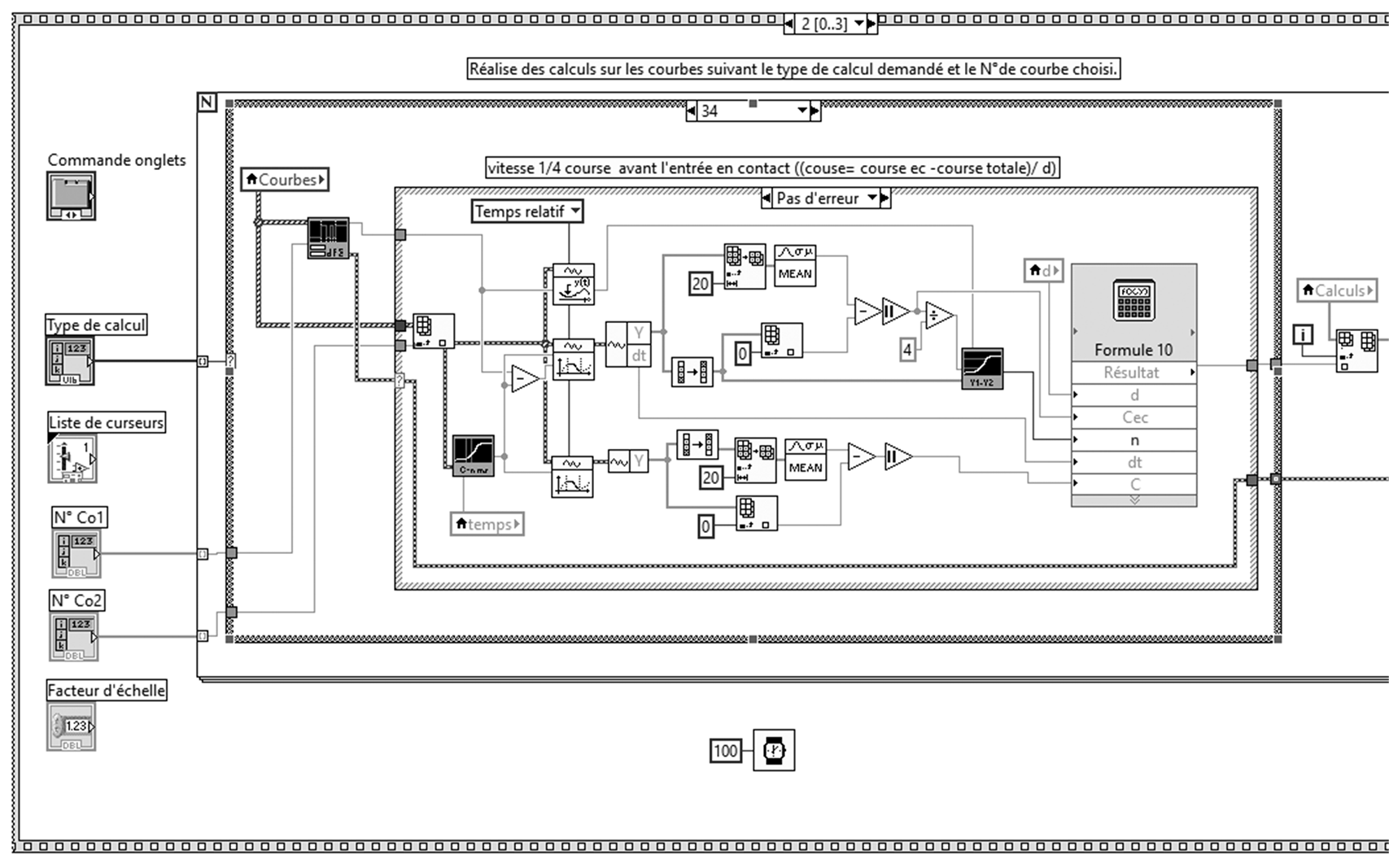
Développement sous Labview

Réalisation de schémas électriques

Réalisation de schémas électriques

Réalisation de prototypes

Réalisation de prototypes

Impression 3D

Impression 3D

Design sous Fusion 360, réalisation en PLA - ABS - Polycarbonate...etc

© ING-A 2020